reprinted with permission from
Poison Fire, Sacred Earth,

TESTIMONIES, LECTURES, CONCLUSIONS,
THE WORLD URANIUM HEARING, SALZBURG 1992

pages 88-93

When you look at the so-called "nuclear fuel cycle", you realize pretty quickly that this nuclear fuel cycle is mainly a rather expensive method of producing a large amount of some pretty dangerous waste. Furthermore, it becomes quickly clear that we're not actually dealing with a cycle by any means here, but rather, it's a cycle with a great number of open ends if one might call it a cycle at all. So, one cannot speak of "recycling" in any sense as suggested by the term. . . .
[I]n order to run this reactor for one year, in order to generate power, one begins with the mining of 440,000 tons of rock. After the various steps, 33 tons of uranium fuel remain in the end. So, of 440,000 tons of rock, 33 tons of fuel is left-over. . . .
So, what's left over is here: Just under a twentieth, that is, five percent of the original activity taken from the ground actually goes into the reactor, and 95 percent remain in the landscape. . . .
[T]he results show that it is uranium mining alone which is responsible for the greatest proportion of the health-related damages.
[T]he operation of a single 1-gigawatt nuclear power plant, . . . produces in one year 76 fatalities due to the radon alone coming from the tailings. That's based on the numbers of the IAEA. And that's not during the year that the energy is produced, but rather, it's integrated throughout all eternity; that is, radon will be released for millennia. So, this one year of energy production results in these fatalities throughout the future. . . .
[F]or one year of a reactor's operation, a further 20 fatalities are due only to the fact that radium makes its way into the ground water. So, first we had 76, now 20; that adds up to almost 100 fatalities for one power plant for one year. About 400 are installed, I believe, throughout the world. That means that one year of operation of the current atomic industry results in 40,000 deaths per year resulting from uranium mining alone!




The True Price of Nuclear Power
The Economic, Environmental and Social Impacts of the Nuclear Fuel Cycle



Lecture by Peter Bossew

Peter Bossew, Austria. Physicist, member of the Austrian Ecological Institute
for Applied Environmental Research and the Institute for Gamma Ray Measurement, Vienna.
(This lecture was drawn up together with Antonia Wenisch, Austria, and held originally in German)



Good afternoon, Ladies and Gentlemen! My name is Peter Bossew. I come from Vienna, work at the Ecological Institute there and am actually a physicist. . . . As you heard, I'm actually speaking in place of someone else, Mr. Oren Lyons, who is still unable to make it. I was actually scheduled for Thursday morning, so please excuse any confusion.

My subject, as you can gather from the announcement, is "The True Price of Nuclear Power". This whole business is something of a thankless task; this is not a romantic subject, but is, in fact, rather dry, and can only be illustrated with a lot of numbers and diagrams. I hope you won't find this too disconcerting, but unfortunately, there is no way around it, and there are a few technical terms I must warn you about right away. My approach is as follows: We don't want to limit ourselves to economic costs alone, obviously, but we'll also try to include the environmental effects and the so-called "social costs", that is, the social effects, in the total balance. You'll see that it's not easy, but we've tried to set up such a balance.

Let me quickly tell you how the lecture is organized: I'll begin by introducing and briefly discussing the nuclear fuel cycle and would then like to present a few balances of this nuclear fuel cycle, specifically, the material balance, the radiological balance, the activity balance and the time balance -- you'll soon understand what all this means. In the next chapter, three, we get to the heart of the matter, namely, the impact of the nuclear fuel cycle. And that is then divided into sub-headings: First, we'll be discussing the economic costs, then an estimation of the cost of atomic energy as opposed to alternative forms of energy, and finally, we'll cover the environmental and social effects. I'd like to add just one more remark here: I'm actually not an economist, but rather, a physicist; I hope that won't be too noticeable.

Before getting into details, I'd like to give you our summary that we developed into theses, and then, I want to deliver these theses one by one.

When you look at the so-called "nuclear fuel cycle", you realize pretty quickly that this nuclear fuel cycle is mainly a rather expensive method of producing a large amount of some pretty dangerous waste. Furthermore, it becomes quickly clear that we're not actually dealing with a cycle by any means here, but rather, it's a cycle with a great number of open ends if one might call it a cycle at all. So, one cannot speak of "recycling" in any sense as suggested by the term.

The four theses are as follows:

1) Nuclear power is more expensive than it is usually declared to be. And we can assume that it will become even more expensive due to the costs of the nuclear fuel cycle, for example, the costs of disposal which will continue to escalate as they have over the last decades.

2) Atomic electricity, that is, electricity from nuclear power plants, is at least as expensive as the electricity from comparable sources of energy. For a long time, atomic power was supposedly preferable because it was not only cleaner, safer, etc., but also cheap. This is not true.

3) In terms of environmental impact, it has often been claimed -- and it is still claimed -- that atomic power is the solution to the global warming problem, the green house effect. This is not true, it's wrong, it's ideology and propaganda. On the contrary, other sources of electricity are considerably more effective in reducing the green house effect.

4) The most efficient method of supplying power, economically as well as ecologically, and in terms of social effects, is power that is not put to use, meaning an efficient power usage.

I'd like to get into the details a bit now; I won't be able to get into them too deeply due to time limitations, but I'll try. -- So we begin with the fuel cycle. I have a few overhead transparencies. The whole thing is a bit crooked; nevertheless, I hope you can see.

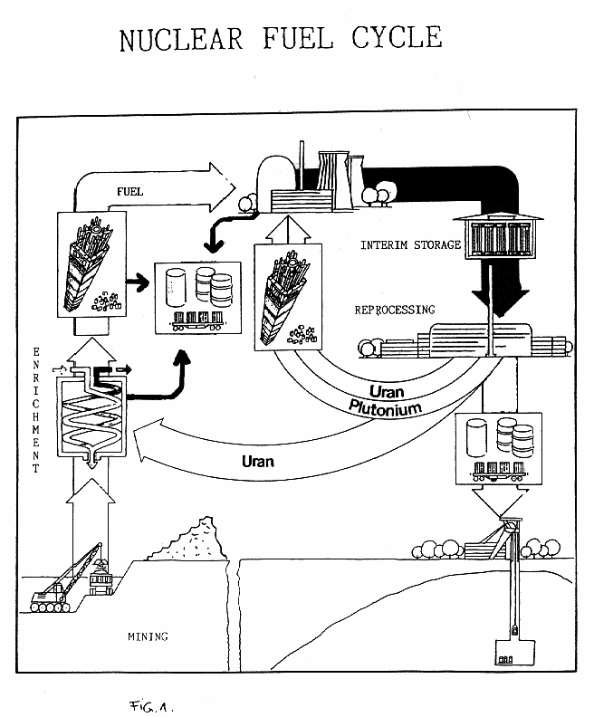
Nuclear Fuel Cycle There we are. This description of the fuel cycle was taken from a publication by the nuclear industry. You can tell this because everything looks rather harmless and idyllic, really like a cycle. What they call a cycle is, in reality, nothing more than the route which uranium follows from the mine past various intermediate stops like a reactor and ends in final storage, final storage being something that doesn't really exist.

There we are. This is the uranium mine; it is indicated in the drawing down here; the uranium goes via the enrichment process, or the fuel production, into the reactor. There's such a nice drawing of it up there. This is where the uranium is actually utilized. Then it goes into interim storage -- uranium goes into interim storage a number of times -- and then on to the reprocessing plant, as you can see here -- at least this is what they originally had intended. According to this original idea, the plutonium which is produced in the reactor is supposed to be separated during reprocessing. Plutonium is of interest not only for the military but also as nuclear fuel that is usable in reactors, and it was regarded as a valuable raw material in the past.

This actually could be considered a cycle and this is what they mean when they say "nuclear-fuel cycle". The illustration insinuates this cycle. Left-over uranium can be re-used -- theoretically, at least; that's what this arrow here is suggesting. In other words, according to this drawing we really are dealing with a cycle, at least initially. So, according to the initial concept, whatever remains after the reprocessing should then be out into final storage; that's this subterranean cavelike thing here. In reality, however, these arrows do not actually exist. You can do this in a laboratory, it is technically possible, but it has never been economical and, as things are, it will not be getting any more economical in the next few decades. That is, this arrow here, this circle, you might as well forget them and you'll be closer to the real situation. The so-called "cycle" begins here in the uranium mine and ends in final storage without ever having gone through a cycle. What has been ignored here, of course, are the open ends that this so-called "cycle" usually has, for at each step of this process, all possible sorts of waste, gaseous, fluid, solid emissions are produced which, packaged sometimes well and sometimes not so well, get into the environment, and these are not to be found here on this cycle. That's why I said that this picture is pretty much of a euphemism.

So, enough about the representation of the nuclear fuel cycle. I'd like to look more closely at a few of the phases of this nuclear fuel cycle. I've already said that this recycling doesn't actually work in reality. The reason is that the production of plutonium in the reprocessing plant is much too expensive. On the world market, uranium is cheaper right now than it has ever been and no one needs plutonium. What used to pass for a valuable fuel has since been discovered to be a rather irritating by-product that everyone wants to get rid of but no one knows exactly how. So we're not talking about a valuable raw material here; on the contrary, it's well-known for being pretty dangerous and unpleasant to have around, and now it is lying around, is causing difficulties and, above all, expenses.

I don't want to delve too deeply into uranium mining itself since that is the general theme of this conference; so I won't be expanding too much on that now. An interesting point, of course, is "final storage", for what is labelled here as such doesn't actually exist. What we, or the atomic industry, can do these days is store the relatively harmless low-level; this can be done -- more or less, but somehow it can be done. What we cannot do, however, is store high-level waste which is mostly the spent fuel. So, what do we do is, we put it in so-called "interim storage". Those of you who come from countries where there are nuclear power plants are familiar with the problem of interim storage. Because no one knows what to do with the spent fuel, it simply gets stuck away in halls, shafts, or wherever, waiting for a better idea to come along as to what to do with it. It's more or less simply lying around.

Final repositories are being built. The first final repositories are to be made available -- so they say -- in the U.S.A. in the year 1999 or around 2000, and then in Germany around the year 2000 -- so they say, but it has also been said before that they were supposed to have been ready in 1980, and they weren't, as we know. So, enough of this illustration of this cycle which is made up primarily of fiction.

As my next point, I'd like to present to you the balances of this cycle, the amounts and categories of the materials we're actually talking about.

Mass Balance of Nuclear Fuel Cycle We'll begin now with the material balance. It's like this: We've made general postulations and have tried to calculate what a large reactor with the ability to generate one electric Gigawatt (1 GWe-NPP) -- that is the average amount of a current large reactor -- what it uses per year. So, in order to run this reactor for one year, in order to generate power, one begins with the mining of 440,000 tons of rock. After the various steps, 33 tons of uranium fuel remain in the end. So, of 440,000 tons of rock, 33 tons of fuel is left-over. You can read the details here if you'd like. The rest disappears somewhere along the way, that is, it doesn't appear in the atomic process anymore, so it ends up lying around in the landscape. This is an ore that has too little usable ore content left in it for further processing; it's left over after it's been mined. Then there are these infamous tailings, of course, that is, the residue of uranium processing. This doesn't just lie around, it's poured into basins. And in the enrichment, there's some left over, in the fuel fabrication, there's some left over, etc.

Somewhere, we've got a graphic of that -- where is it? -- so that you can imagine a bit better how it looks. So we begin with a pretty large amount of ore. This vertical line here shows what remains in the various phases of the process, and these thick lines pointing right show what is basically thrown away along the way. And you see that down here by the reactor -- that's this little ball here -- 33 tons remain of the 440,000 by the reactor; the rest is somehow lost along the way, and that is, of course, radioactive material lying around.

And now we move on: What happens in the reactor? Here, the 33 tons of uranium there are turned into about the same amount of uranium plus 300 kilograms of plutonium plus the fission products -- that is actually the bad part because that's the truly highly active, troublesome waste -- plus all sorts of low-level waste, discharged liquids, discharged gases, all sorts of things. That ranges from such harmless items as contaminated handcloths to the filters in the chimneys. And in the reprocessing, in so far as it really happens, one separates this used fuel and the unused uranium, the newly produced plutonium and the fission products which can no longer be used.

Graphically, it looks like this: What comes out of the reactor, the 33 tons, that is either -- as long as there is the capacity for it -- used again, divided into various streams of material, or it is -- as long as reprocessing is not planned, as is the case in some countries such as Sweden, for example -- simply buried, at least at some point.

Activity Balance of Nuclear Fuel Cycle That was the material balance. We now come to the activity balance, for we know that the actual danger lies in the activity, and not in the material. I'll show that to you graphically again because the numbers, I think, don't make much sense.

Here we have figured out the activities according to the masses quoted above. It starts like this: That is the activity of the fuel that the reactor needs to run for one year. It begins with an amount of ten Peta-Becquerel (10 PBq) uranium ["Peta" means 10^15 times the quantity of a unit] plus what is contained in the ore, the decay-products of the uranium. That's thorium, radium, etc., etc., etc., we've heard all about that. A large portion of that, as we see, is thrown away. That is simply the ore that is too poor to make it worth processing; it remains as tailings in the environment. The next step is the uranium milling in which the yellow cake is extracted from the uranium ore. As you see, the greatest portion of the activity -- that is mostly the "uranium daughters", or uranium decay-products, thorium, radium, lead, etc., etc. -- are left over in the form of these tailings in the tailing basins which then "enhance" the landscape.

The next step is conversion: Here, a uranium gas is made from the yellow cake which is a solid substance. The gas is needed for the enrichment process. There, too, in the enrichment process, there are again great amounts of waste, and in the end, after many steps, of these ten Peta-Becquerel (10 PBq) uranium there is left just under half of a Peta-Becquerel (0.48 PBq) uranium. So, what's left over is here: Just under a twentieth, that is, five percent of the original activity taken from the ground actually goes into the reactor, and 95 percent remain in the landscape.

But the "fun part" is just starting: Here, we have the reactor. Inside it is the fuel, about three years -- in which the nuclear fission occurs and so on, I don't want to get into that now -- and then afterwards, the fuel is infamously highly radioactive and can no longer be touched. You can touch the original fuel easily with your hand, it's no problem, but you can no longer touch the burnt fuel. You drop dead just getting near it.

We weren't able to illustrate this graphically, for if you assumed that this line here were one centimeter wide, and represented the activity of ten Peta-Becquerel (10 PBq), then this line here would have to be three kilometers wide, and that somehow just didn't fit onto the transparency. That's why this question mark is here. So the activity inside is greater by a factor of approximately 100 millions. To make it less dangerous, it's allowed to lie for a few years; there it wears off in interim storage; those are these nice halls, warehouses in Germany, but also in America and everywhere. Afterwards, there is still a pretty high amount of activity, namely, a factor of 100,000 times more than at the beginning. And then comes either the direct final storage without reprocessing or the reprocessing itself. In the reprocessing, it is divided about half and half -- according to the activity now -, half in plutonium and half in fission products. The fission products can no longer be used, but the plutonium can, at least theoretically, be used.

We have primarily made these graphics in order to show what we mean when we say that the uranium cycle -- which can no longer be spoken of as a cycle -- is, in reality, a very expensive and crafty way of producing waste.

Another point is the time balance which I'd like to mention here in order to get an idea of what sort of time period we're dealing with. We need about ten years for the construction of a reactor; the reactor runs, let's say, 30 years; they're trying to run it longer. Then a few years must pass to let the used fuel wear off; then maybe a few years more to take the reactor apart, for a reactor has to be decommissioned once it can no longer be of use. And then, there is the waste. And consider that some -- not all of these waste materials, but some of them -- have lives that require isolation periods of a few 100,000 years. These are, for example, the tailings with the main nuclide thorium-230 with a half-life of 75,000 years. One can assume then that after ten half-lives the activity sinks by one thousandth; and for thorium-230, that would be 750,000 years. There are similar half-lives for certain types of fission products and activation products; they go on up to millions of years, as with neptunium-237, for example. So, a profit is made for a few decades at the most, and then, for hundreds of thousands of years, we're in it up to our necks -- well, I certainly hope not up to our necks, but it's got to be taken care of, nonetheless.

I'd like to bring up one more point concerning the balances, and that is the radioactive balance. Up to now, we've been talking about the amounts of material, but we haven't yet spoken about the actual effects. This is unfortunately very difficult to calculate, and there are a variety of numbers on what this released radioactivity actually brings about in terms of damages -- I'll limit myself to health damages here. We found a few numbers at the IAEA, that is, the International Atomic Energy Agency. It must be said that the IAEA is not known for being very critical of atomic power, and therefore, I think that these numbers that can be found there can be thought of more as minimum levels. We've done a bit of calculating with these numbers; I'll spare you the details, but basically, the results show that it is uranium mining alone which is responsible for the greatest proportion of the health-related damages. In comparison, the running of the reactor, the final storage, etc., are relatively harmless.

Estimated collective does commitments over 
long term due to nuclear fuel cycle I also have a graph for this: Concentrate on the white line, and you can see, up there is uranium mining, here we have the atomic waste, here we have the operation of the reactor, and here the vocational exposition. And here you see that uranium mining represents the largest portion. But the catch is: When you read carefully, you can see that they have integrated this for 10,000 years. That's pretty long in human terms, but we've just heard how long the half-lives are of thorium-230, which mainly exists in the tailings as a forerunner of radon. And when you figure this a bit more closely, you see that this line here actually should be several meters long. When one translates these numbers into fatalities -- which is a bit macabre, but I've done so anyway -- then you see -- this is not what the IAEA says, I've figured this out myself from IAEA numbers -- that the operation of a single 1-gigawatt nuclear power plant, that is, one large plant produces in one year 76 fatalities due to the radon alone coming from the tailings. That's based on the numbers of the IAEA. And that's not during the year that the energy is produced, but rather, it's integrated throughout all eternity; that is, radon will be released for millennia. So, this one year of energy production results in these fatalities throughout the future.

The second number I found at the IAEA concerns radium -- which was spoken about yesterday; radium, which trickles into the ground water from these underground tailings pools. If they're well-built, it may not be much, but it's nevertheless there. And the IAEA gives numbers on how big the collective dosage is that is supposedly caused by this worldwide. And if you again figure this out in terms of fatalities, you find out that in the long run, for one year of a reactor's operation, a further 20 fatalities are due only to the fact that radium makes its way into the ground water. So, first we had 76, now 20; that adds up to almost 100 fatalities for one power plant for one year. About 400 are installed, I believe, throughout the world. That means that one year of operation of the current atomic industry results in 40,000 deaths per year resulting from uranium mining alone! This is based on IAEA numbers, so it's not just pulled out of a hat, but all is based on IAEA numbers.

So much for the balances of nuclear power. The next chapter was the price, the economic price of nuclear power. Due to the time limitations, I'll have to sum things up, but if you look into this even just a bit, it's very interesting to see the varying numbers you find in the literature. Obviously, no one knows exactly what the power that comes out of there costs, simply because there are so many uncertainties involved. In the end, the question is this: What does one include in this calculation? To what degree are environmental factors, for example, figured into the cost? What about social effects? What about political factors? In what way are possible catastrophes, which, hopefully, never occur, but clearly do, as we've seen, in what way are they included? How far can the clean-ups actually be calculated, even though no one knows exactly how some phases of it actually function? Because there is no final repository for highly active waste, no one can know how much it costs. So, the estimates for final storage are very rough.

We've tried to figure all this out somehow (...). I'll spare you the numbers and tell you what we've come up with: The entire fuel cycle -- that is, from uranium mining to disposal -- it costs, if you don't count the reclaiming of the uranium mine and the uranium waste, so they're not included, and the costs of the final repositories are only very roughly calculated, and if you leave out the infrastructure costs altogether, you come to 4.5 to 17 dollars per megawatt hour of energy, that is, for the fuel cycle costs alone.

But the fact is that the greatest costs involved in atomic energy are related not only to the fuel cycle, but also to the costs of investment that a nuclear power plant requires. This differs from the fossil power station situation; there, you have relatively -- I say, relatively -- lower investment costs going into the plant, but the fuel costs are much higher. This is because coal is comparatively more expensive than uranium. If you figure out the price of the power itself, taking numbers from the literature and try to figure them out yourself, you arrive at the following costs: According to IAEA estimates, 25 to 60 dollars per megawatt hour (MWh); according to estimates of the Worldwatch Institute, you arrive at around 120 dollars per megawatt hour; Mr. Keepin spoke yesterday of 130 dollars per megawatt hour; and we've done our own figuring, a very, very rough economic estimate, and arrive at 60 to 110 dollars per megawatt hour.

The costs in themselves are, of course, of no interest if you don't compare them to other forms of energy. We did that, too: I don't want to get into why it's actually so difficult to figure these things and why, when you reach a conclusion, it's not very reliable. The results depend on, among other things, such simple matters as where the power plant is located. If a water power plant is located by a river, it's got an energy source right by the door, so to speak; if a coal power plant is located next to a coal mine, the coal needn't be transported, whereas, if a coal power plant is located 1,000 kilometers away from a coal mine, the coal has to be transported. So the power is more expensive. I've left such things out. And the results are -- that's the upper table -- according to the IAEA, coal costs about as much as atomic power. So it's like that; even the atomic lobby doesn't claim that atomic power is all that much cheaper. They used to claim it, but no one dares to say that anymore, the numbers are relatively fresh. The Worldwatch Institute has the following numbers: that's the 120 dollars quoted above; compare that to natural gas at 60 dollars; wind and geothermal energy: 60 to 80 dollars; and -- very important, because I'll be coming back to this -- efficiency improvement, obviously the cheapest at 20 to 60 dollars.

Nuclear Power Units in Operation and Under Construction That atomic power is not at all as cheap and cost-efficient as it has occasionally been claimed to be can be seen without much figuring, simply by looking at the allocation of contracts to the reactor industry. I've got another graph from the IAEA: That's the installed capacity along a time-line, and there, you see the black line, that's the number of existing reactors. It only goes to 1990, so it would flatten out here, for, in the meantime, the atomic power contingent has decreased worldwide. And the white line, that's the allocation situation for the reactor industry. So, you see that in the seventies, it rises steeply, and now, it's practically at zero. There you see that those who can do their economic math -- and the atomic industry can, of course, for considering the numbers involved, they have to be able to -- that they know best that atomic power is not actually able to compete, for otherwise, the situation in the reactor industry wouldn't look so dreary.

So now the problem is, that somehow, I've got to finish this. I'll try to condense a bit. As I implied, obviously, the cheapest form of energy is energy that is saved. By "saved" you must understand that that doesn't mean turning off the lights or freezing in winter or such things, or that we're not allowed to operate our refrigerators anymore, but rather, it simply means that we must employ the technical means at hand more effectively. And so you see: The savings potential -- this was figured for Austria, for example, also for other countries, but I've got numbers here for Austria, so what might be basically typical for a modern industrial country -- and the results are that the savings potential with technology now available is 50 percent. That means we could save 50 percent of our power without suffering any loss in our living standard. The reason this isn't being done is simply a matter of energy policy; that must be said, for they always claim that living standards are coupled with the use of energy, that they can't be separated. But this is not a natural law, as is often suggested, but rather, it is simply so because energy policy focuses far more on setting up new sources of power than on efficient use of power.

As for saving power, I'd like to give a very, very dramatic and drastic example: It relates to reports of natural gas leakage in the pipelines in the former Soviet Union. You know that they have a very broad network of natural gas lines. Some of that natural gas is also delivered to Austria and western Europe. And it's been discovered that due to poor maintenance, faulty workmanship and the like, 40 billion cubic meters of natural gas is lost through leakage. You can do some figuring; I'll spare you that. That part of these 40 billion cubic meters lost due to leakage which could be avoided can be figured to equal 90 percent of the atomic capacity of the former Soviet Union. That means that, using average technology, 90 percent of nuclear power in the former Soviet Union could be saved by simply stopping up the leaks! And if this natural gas were put to efficient use, more than 100 percent of the current atomic power share could be covered! That shows that atomic power could easily be avoided altogether if this money were stuffed in the proper holes.

I would like to have said a few things about the green-house effect, but unfortunately, there isn't enough time left. Those who want to know about it can read about it. What I've said here has been printed.

Thank you.

Normalized fatality rates for severe accidents (1969-1985)